???????????_??????????_??????????
?????????????????????????????????????????????
?????????????????????????????????????????????????????????????????AFS????
??????????????AGC???????????Э???????豸??
?????????????????
???????????????????????????????????
?????????????????????????????
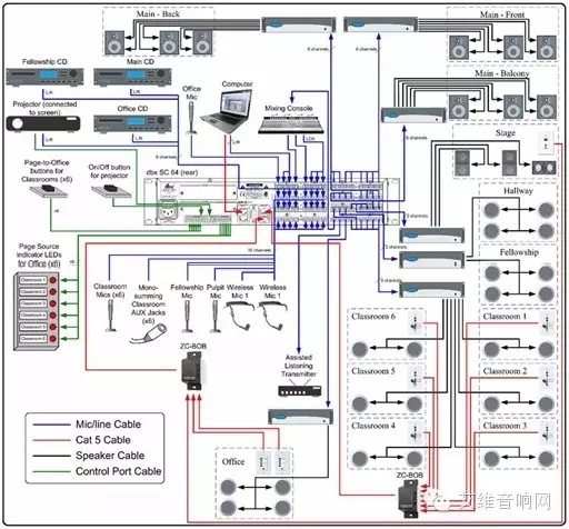
?????????????????????y????SC?豸?????????????????????????????????и????·?????????????????У?????????32 x32????/?????SC 64??
??????????HiQnet System ArchitectTM?????"Master Building Mixer????????????"?????????????????κ???SC 64?????????????????μ?"House of Worship"venue????????????Custom Control Panel??????????壩???????????ó?????δ?????????????????????????????????????????????и?????????????????????????????????嶼??????????????????????Я????????????e??????????????ó????????????????????????????????
???????????????????????????????????????????????????????????????????????????÷??????????????????????????????????÷?????????????¥??????????????????÷????????????????????????????????????????????????????????????????????????????????????????dbx??PeakStopPlus? ???????-????????????"??????"???????RMS?????-???????????????????????б??????????????????????????????????????????????????????????????????????dbx???????????????SC 64??????????????????????????顣?????????????????????????е??????豸??????????
SC 32??64???????????????????豸-????????????????????????????????У?SC 64??????????????????????SC??????????????????????????????????????Relay?????????????????????????????????????????????????????????????????????????HiQnet System ArchitectTM????е?GPIO???????????????????????κδ????????????п???????????????????????????????????л??????????????????????????????У???????????????????
??????????????????????????????????????1/8??絥???????????Jack?????????y?干????????????????????????????????????????е?ZC-8????????????????????????????????????6dB???????????????????????????????
????ó??????????????????ZC-BOB???????1000?????????????SC??ZC-BOB????????????ZC???????????????
????????????????????????н?????????????????????????豸???÷?????????????????????0755-28882666??
???????









