???????????? ????????????????

??????????????????????????????????????????????????????????????????????????Ч???????????????????????????????????γ????????????????HiFi?·?????????????????????????????????????????????£?????????????????
????????????Σ?????????????
????????????????????????????????????п??????????????????????????????????????????????ù????????????????????????????????????????????????????????????????????????????????????????????????????????????????

??η?棺
????????????????·????????????????????????г???????????????????????????????????????????????????????????·??????????б????????????????????????????????????е????????
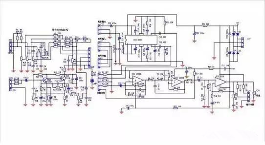
????????????Σ???????????·???
?????????????????????????????????????????????????????????????????????????????????????????????????????????????θ?????????????????·??????????????????????????????Σ?????????????

??η?棺
???????????????????????????????????????????????Щ??????????????????????????????????????е???????????????????????????o????????????
????????????Σ?????????????
?????????????????????????????????????????????????????????????????????????????????塣????????????????????????????????????????????????????????????????????????????????????????????????Ч??????????????

?????????????????????????л??????????е????????????????£??????????????????????????????????е???????????????????????????????????????
????????????Σ??????????????
?????????????????????????????????????????????????y?????????????e?????С???????????????????????????Щ???????????γ?????????????????????о??????????????????????????

??η?棺
???????????????????e???????????????????????????????????????????????
????????????Σ??????y????·
?????????????????????????????????????????????????????????5??????7??????????????????????????????????????????????????????????????????·?????????????·???????????·????????ж???????????????????о??????????????

??η?棺
?????????????棬????????????價?????????????????????????????????????SRS??????????????????????????????????????????????M69032??????о??????????????????????????????e????????????????
???????????????????????????????ú???ü???????ù????????????????????????????????????????????????????????????????????????????????????????????????????????????????????????????????????????????????
???????









